RE: Keevitus -
Marko - 03-01-2018
Viib sinnasamasse, kuhu juba jõudsime - drossel ja kondekad on puudu

Skeem on ju igati asjalik. Võimalik, et nigel töövõime oli ka aparaadi äraandmise põhjus?
Muidugi tuleb lisaks silumisele ka puuduvad 5 volti üles leida. Kondensaatorid tõstavad pinget, aga kas piisavalt?
Ehk on hädalisel sahtlipõhjas midagi? Konde paralleelselt prooviks ühendada on ju lihtne.
RE: Keevitus -
isandpauk - 03-01-2018
Kahjuks pole mul ei kondekaid ega drosseleid sahtlipõhjas vedelemas. On ehk kellelgi võimalik prooviks midagi sobivat laenata? Tallinna-kant oleks eelistatud.
RE: Keevitus -
isandpauk - 03-01-2018
Nonii...
Pingevahemiku seadistuse kontroll läks täna untsu, kuna:
* ühest primaarmähisest tuleb välja 2 punast juhet.
* võimsuse asendeid on 7, mitte 5 nagu joonisel.
* mõlemast primaarmähisest tuleb välja kaks juhet, mis ei lähe võimsuse reguleerimislülitisse vaid on ühest mähisest teise ühendatud.
No jooksis juhe kokku lihtsalt. Võtan mingi hetk testri ja katsun aru saada, mis seal täpsemalt toimub.
Mingid augud on masina põhjas täiesti olemas, võimalik, et seal on midagi olnud. Samas pole õnnestunud leida ühtegi drosselit, ka mingi trafo-elektroodkeevitus sai prooviks laiali tõmmatud aga ka seal ei olnud midagi.
RE: Keevitus -
karvik - 03-01-2018
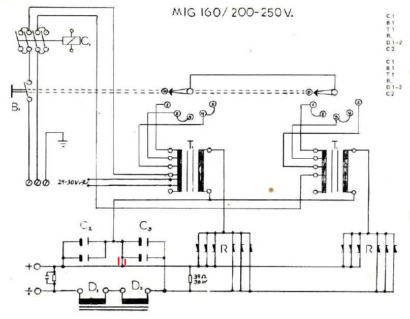
Kui mu vigased silmad nüüd öigesti seda skeemi lugesid, siis seal tegu plusmiinus elamisega, ehk mõlemad trahvod töötavad korraga ja üks toodab plussi ja teine toodab miinust. Ehk siis kui sa sealt keskmiselt trafo otsalt mõõdad, siis saad pool perioodi ja kui nüüd keksjala ots jätta samaks ja teiselt dioodsillalt võtta pinge siis saad teise pooluse mida multimeeter näitab kas siis vastavalt juhusele miinusega pinge näidu ees või siis ilma. Kui nüüd mõõta mõlemi silla pealt korraga, siis tuleb vajalik täis pinge. Kui see keskjalg on otse massi ühendatud, siis ei peagi see pinge jõudma seda traati sulatada. Tuli peaks olema kahe dioodsilla vahel.
Piltidelt on näha tabel kus on kirjas ka Uo. See on siis väljundpinge mis võiks olla ilma koormuseta.
Suure koormusega dioodsildadel pannakse tihti dioode kõrvuti soojuse paremaks hajutamiseks ja dioodide eluea pikendamiseks.
RE: Keevitus -
Wiki432 - 04-01-2018
Vend Karvik, skeemi pole mõtet lugeda, ka seekord ei vasta paberil lubatu üldse mitte sellele, mis reaalses elus, ehk kastis on.
Lõuna ajal teemat lugedes vaatasin korra seda paberil skeemi ja nüüd võin üsna kindlalt väita, et Taanis on mingid hipide kemikaalid ikka legaalsed. See skeem ei saa töötada, sinna on pauk (ehk lühisekriips) sisse joonistatud.
RE: Keevitus -
karvik - 04-01-2018
Ei leiagi nüüd kohe äkki lühise kohta üles, aga kui trafost pilti vaadata, siis on seal ju see asi ikka, et on kaks eraldi trafot ja kaks eraldi silda. Kahjuks ei näe kuhu üks vooluots on ühendatud ja trafode vahelisest keskväljavõttest läheb kusagile üks väga jäme juhe millega kulgu ka ei näe. Testerdamine näitas umbes poolt vajaliku pinget trafode keskväljavõtte pealt ja käppa mineva otsa pealt, siis on see jäme juhe lihtsalt valekohapeal(juhul kui see on keevituse mass). drossal ja konded teeks ajsa muidugi tunduvalt ladusamaks, aga traati peaks ta ikka suutma sulatada. Tulemus ei pruugi väga ilus muidugi tulla.
Pilti vaadates on näha, et silla tagant tuleb jäme latt esipaneeli. Silla vasakul all nurga on üks piisavalt "toekas" polt, mille otsas võiks olla tegelik vajalik punkt. Kuna ise seal oma näpuga juures ei ole, siis vastutust ei võta

Pinge võiks sealt mõõta aga küll.
RE: Keevitus -
Wiki432 - 04-01-2018
Programmeeritud paugu koht on punasega märgitud:
Asi hakkas silma siis, kui proovisin aru saada, kuhu kohta need kondensaatorid on ühendatud. C2-l on üks jalg ühendatud teisega. Miskit on valesti, mõtlesin. Lisakriipsu kaudu saab üks poolperiood otseteed lühise varjunime all trafosse tagasi, suitsujutt taga.
RE: Keevitus -
karvik - 04-01-2018
On jah!
Muidu hakkad ise tootma neid ja nende papp jääb saamata.
See tuletas ühe mudellennu meeste jutu meelde kus nad panid suurel isamaal mingi võistluse kinni ja küsiti kohe et millest lennuk tehtud ja mis mõõdud jne. No ega meestel mõõdud peas ei olnud ja ütlesid midagi umbes. Järgmine aasta samas kohas olla tulnud nende juurde mees kes püüdis neilt välja uurida, et mis tegema peaks, et nende mõõtudega lennuk ikka lendama saaks. Olla kusagil ajakirjanduse väljatrüki järgi ehitanud cepionite lennuki, a vot kurat ei lenda noh.
RE: Keevitus -
Wiki432 - 04-01-2018
Ja siis veel seletamaks, et miks mulle tundub, et skeem on vale.
Dioode on kirjeldatud olemaks kaheksa. Skeemil on kuus. Trafol on kaks ühesoonelist otsa + 1 kahekordne, kõrvaltrafol sama. Skeemil pole topeltmähistest vihjetki. Oletame, et seda pole lihtsalt joonistatud ja mähised töötavad paralleelis. Aga miks siis need mähised lähevad dioodiplokkides erinevate lattide peale? Ja ühesoonelised trafo otsad oleks justkui erinevas suunas keritud? Sildlülituses peaks või vähemalt võiks nad ühe poldi kaudu plokki saata. Kui oletada, et nad üritatakse eraldi dioodidega alaldada, siis ei jätku dioode. Vaevalt, et selline tablett üle 100A on, pigem pannakse väiksemad ja paralleeli. Lisaks sobiks hetkel väljamõõdetud pinged pärast silumise koefitsenti 1,4 üpris kenasti pisikese keevituse pingeteks. Keskpunktiga trafo ja vastastakt alaldi seletaks asja palju loogilisemalt. Või ehk vähemalt tundub mulle nii. Aga ma eksin ka vahest. Vahel isegi liiga tihti.
-----------------------------
Edit järgmisel hommikul.
Suure tõenäolisusega tooks asjasse selgust, kui Isandpauk viitsiks dioodiploki skeemi visandada. Et milline dioodi ots kuhu viib, millised on kokku ühendatud, juhtivuse suund ja see, kas asi tundub olevat tehase töö või mõne meistri poolt juba üle käidud. Mitte, et sellest keevitus imeväel korda saaks, vaid saab teada ajaloolise tõe - mis skeemi järgi on asjandus siiski tehtud. Testrit tundub, et Isandpauk valdab, ülejäänu jääb motivatsiooni kanda.
RE: Keevitus -
isandpauk - 04-01-2018
Tõmban täna asja ribadeks ja katsun üles joonistada.
RE: Keevitus -
pen.skar - 04-01-2018
Üleüldse, kui jämeda traadiga opereerid?
RE: Keevitus -
isandpauk - 04-01-2018
Proovisin 0,8 ja 0,6mm traati. vahet ei ole.
Lisatud siis täna ülesjoonistatud skeem. Võtsin dioodiploki välja, kõik nägi välja nagu tehasetöö ja nagu poleks kordagi lahti käinud. Mõõtsin kõik 8 dioodi veel korra üle ja kõik olid korras.
Trafodel on mõlemal üks vaba ots ehk midagi annaks ümber tõsta.
220V tuleb ühele trafole peale otse, teisele läbi kontaktori. Trafode vahel on 2 silda.
RE: Keevitus -
Wiki432 - 05-01-2018
Jep, ilus töö! Ilmselgelt on nüüd näha, et tegu on vastastaktlülituses täisperioodalaldiga ja paberi pealt skanneeritud skeem tegelikkusele ei vasta. Mis nüüd edasi teha? Minu arvamus oleks, et drosselit oleks tarvis. Ühefaasilised keevitused on drosseli suhtes kapriissed ja ideaalset on raske leida. Või täpsemalt öeldes, ideaalset ei saagi olla, sest see, mis on ühe väikeste voolu astmel ideaalilähedane, ei vasta ideaalile kolm astet kõrgemal voolutugevusel. Seega selline kompromissivärk või nii. Kondensaatorid ei ole esmatähtsad, aga annaks kindlasti midagi juurde. Kust eestis saaks keevitusele spetsiaalselt mõeldud kondensaatoreid, ei tea. Tavalised ehk raadiotehnilised ei pidavat kaua vastu pidama. Samas mul endal see kogemus kinnitamiseks/ümberlükkamiseks puudub.
Osta.ee-s üritas keegi pikka aega keevitusdrosselit müüa, aga enam ei näe. Ja pole aimugi, kas see oli poolautomaadi oma või mis see üldse müügis oli. Ise veel mõtlesin, et kellele sellist asja ka õige vaja oleks...
-----------------------
Edit. Leidsin, eile ei näinud miskipärast:
Link Ostasse
Edit2. Ei saanudki eile näha, ei olnud veel avatud. Samas hind ei kisuks mind küll kohe tormama. Justkui peaks (või vähemalt võiks) sobida, aga seisukorda pildilt ei näe väga hästi, juhe veidi räsitud, aga taastatav. Tundub vasklatist keritud olema, see on hea märk.
RE: Keevitus -
Marko - 05-01-2018
Wiki, sügav kummardus skeemi süvaanalüüsi eest! Seda kriipsu leida, nomaeitea...
Kondekaid otsisin, mingeid 25voldiseid lüüte on, kahtlane veits.
Drosseleid saab ehk järjestikku ühendada? Erinevaid mõtlen. Vilets parameeter poeb eelmisest sirgelt läbi ja muutub järgmises heaks?
RE: Keevitus -
Wiki432 - 05-01-2018
Tänud sügava kummarduse eest! Soovin omalt poolt ka head uut aastat!
Drosselid järjestikku. Ei oska kommenteerida. Teooria - praktika, etteaimamatus. Nende drosselite parameetrid on nii erinevad, sõltuvad südamiku läbimõõdust, üldmõõtudest, isegi see, kui lähedale ja kuipidi on aparaadi raamile kinnitatud ja keevitusdrosselite eripära on ka veel õhuvahe südamikus. Ehk erinevalt võrgutrafode südamikest, näiteks, kus on südamik on katkematu ring, on drosseli südamikule tekitatud katkestus. Selle õhuvahe laius mängib ka suurt rolli. Vene iseehitajate foorumites on drosselid ehitatud sadu, kui mitte tuhandeid. Ja üldiselt kinnitatakse, et asi käib siiski katse-eksitusmeetodil, kindlat valem-reeglit ei ole.
Kondensaatorite koha pealt olen üpris vagusi, kogemusi peaaegu, et ei ole. Aga vajalik üldmahutavus on 10000 mikrofaradit ja ülespoole. Ilmselgelt on ka väiksematest kasu, kuid kas ka märgatav, ei tea. Kui keegi hakkab kunagi neid ühendama, siis pidage meeles, et kondensaatoritega peab järjestikku ühendama sobiva võimsusega takisti. Selle suurusjärk täiesti laest võetuna 0,2 oomi 50w. Laest seetõttu, et siin on nii palju sõltuvusi, et ühtset reeglit ei ole.
RE: Keevitus -
viplala - 05-01-2018
Keevituse trossel, oksjon avatakse 07.01 Kiirustage seltsimehed unetud.
https://osta-ee.postimees.ee/keevituse-trossel-103534830.html?_src=similar_ended2
Ma ei tea mis see sunt on, aga ehk läheb vaja
https://osta-ee.postimees.ee/keevituse-sunt-103442965.html?_src=similar_ended2
RE: Keevitus -
Wiki432 - 05-01-2018
Ah, sel müüjal on see drossel praegugi müügis, link kolm posti ülalpool.
Šunt on vidin, mida läheb tarvis, kui on tarvis voolutugevust mõõta, aga mõõduriist ei ole võimeline nii suurt kogust ampreid läbi laskma. Suurem jagu ampreid läheb läbi šundi, ülipisike osa läbi mõõduriista. Muidugi on šundil nii elektri, kui muudes ilmaelu mõistetes teisigi tähendusi, kuid siia teemasse sobib eelnev seletus kõige paremini.
RE: Keevitus -
viplala - 05-01-2018
Wiki432, oskad sa öelda, kui võimsad need dioodid on?
https://osta-ee.postimees.ee/keevituse-dioodid-103441734.html?_src=similar2
RE: Keevitus -
h2rra - 05-01-2018
(05-01-2018, 17:17 PM)viplala Kirjutas: Wiki432, oskad sa öelda, kui võimsad need dioodid on? https://osta-ee.postimees.ee/keevituse-dioodid-103441734.html?_src=similar2
Valisin netist esimese...
https://www.elektroda.pl/rtvforum/topic1791671.html
ja siin saidil saab nostalgitseda ...
http://www.155la3.ru/aktiv.htm
Vabandan. h2rra
RE: Keevitus -
Wiki432 - 05-01-2018
вк 2-50
Andmeleht annab keskmiseks voolutugevuseks 50 amprit ja pingeks 200 volti. 10 mikrosekundiline impulss võib olla kuni 1500 amprit. 50 Hz korral on üks poolperiood 10 millisekundit, millest kõik ei ole maksimaalne voolu/pinge tugevus.
Üldiselt olen neid nõukaaegsetes elektroodkeevitustes näinud, ju siis kõlbavad.
Hakkasin endas kahtlema, eelmist rida päris tõepähe ei tasu võtta.