18-05-2021, 22:17 PM
(Seda postitust muudeti viimati: 18-05-2021, 22:27 PM ja muutjaks oli CORRADOg60.
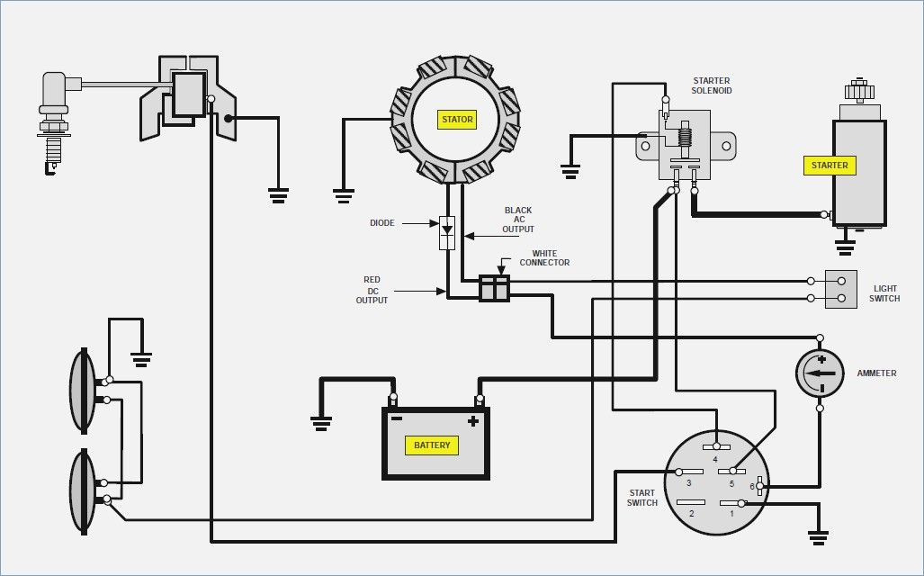
Muutmise põhjus: Skeemi lisamine
)
(18-05-2021, 21:39 PM)pannkook Kirjutas: vahelduvvool on pistikus. Need kõik alalisvoolud ju
Kindel või?
Kui otse mähise otsas ilma dioodide jms pm tuled istuvad siis alalisvoolu seal küll pole.
On jah uhkemate pillide hulgas ainult alalisvooluga masinaid, aga lõviosa neist tavakasutaja putukatest toidavad tulesid vahelduvvooluga.
Aku laadimise ahelasse on ka ainult üks diood pandud...
Lisan skeemi, mis enamuse lihtsamate trakade elektri kohta käib.

