MURUTRAKTORID- ostuabi, hooldus, remont...

Proovisin testida istmealust lülitit, justkui töötab, ühendasin üldse lahti ja eemaldasin pistiku seest klemmide lühise plaadi, ikka annab multimeeter juhtmesse massiühenduse.

Ajasin näpuga juhet taga, tundub et läheb esmalt kuhugi tagasilla juurde, vist on seal mingi jama.
Aga ligipääs sinna ..... isegi ei näe, mis seal toimub.

Iseõppinud spetsialist - energeetika valdkonnas.
Vasta

(16-03-2026, 20:45 PM)Marko Kirjutas:  
(16-03-2026, 20:34 PM)tõnn Kirjutas:  Mcculloch m105-77 
Ei taha käima minna.

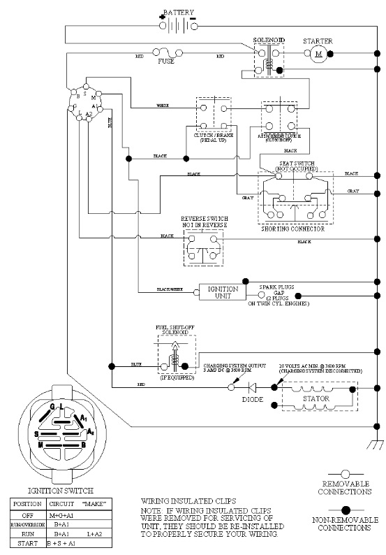
Niipalju olen aru saanud, et süütepooli suretusjuhtmele on antud käsk mootor välja suretada.

Ehk on kellegil pakkuda juhtmeskeemi mis näitaks, millistest lülititest antud ahel läbi käib.

Esimene kahtlusalune on istme all. Kas seal on kõik kombes?

niiduorgan sees või käik pole käivitusel jne
Vasta

Starterit laseb ilusti ringi aga käima läheb vaid siis kui süütepooli juurest juhtme lahti lasen.

Iseõppinud spetsialist - energeetika valdkonnas.
Vasta

https://benzolider.spb.ru/spare-parts/m1...0-2013-11/ 
Võibolla on abiks.    

Инвалид информационной воины на фронте Пярну-Хииу. 
Tsiteerides John McCaini: "Venemaa on peamiselt bensiinijaam, mis teeskleb riiki"," rääkis Basse.
Vasta

Just seda otsisin, Tänud!

Iseõppinud spetsialist - energeetika valdkonnas.
Vasta

(23-02-2025, 21:55 PM)aatom Kirjutas:  Ma olin sarnases olukorras, aga laadimispinge oli liiga madal. Täpselt ei mäleta, aga kas mitte selles pistikus ole üks juhe laadimispinge ja teine tulede tarbeks (et siis vahelduvvool, aga mõlemal ahelal üks ots massis, laadimine läbi dioodi). Kuidas laadija ise ehitasin, täpselt ei mäleta, aga kasutasin nii laadija, kui tulede ahelat, et rohkem voolu / pinget saada. Ehk aitab pisut.

Mullu pärisin nõu, tulemuse infovõlg on kustudada. Probleem oli selles, et igivana murutraka aku peal näitas voltmeeter 15,6V ja ampermeeter juhtmel pea 3A. Pingeregulaator jäi leidmata...

Neid variante laadimiseks on terve hulk, üks asjalik doku jäi ette, mis võib kellelegi abiks olla. Lk 24(dok 22) erinevad skeemid:
.pdf alternator_replacement.pdf Suurus: 13.04 MB  Tõmbamised: 17
  (Viide kahjuks netist error404 annab, vast mahub tõmmatud suur fail siia ära.)

Mul läks lugu nii, et kõigepealt tellisin muidugi Alist odava mis igati tõetruu välja nägi. Laua peal katsetades sisendis pinget tõstes ja väljundit miski proovilambiga koormates tegi umbes 14,2V peal cutoff. Kooliraha makstud, jalutasin korraliku järele. See toimis oodatult s.t väljundisse jäi 14,6V püsivalt järgi.

Kõik toimis ilusti kogu aasta. Vana aku oli õnnelik ja käivitus probleemivaba. Miski ränidioodi, mis 2W sooja hajutab, võiks veel järjestikku panna, kui viitsiks.

   

Ümberühendused õnnestus teha suht viisakalt olemasolevast. Mass tuli juurde vedada, kuna kinnitus plastikule.
   

Nii et vaadake/mõõtke laadimine üle, kui aku armsaks on saanud...
Vasta

Kas keegi teab kas Tallinnas (või ka mujal) on töökoda, kes ilma heebliteta suudab murutraktori rehve velje peale panna ja maha võtta!
Heeblitega saab ka ise hakkama, mis sest et see on paras ...

vbl. on kuskil ka kirjas aga otsinguga ei leidnud
Vasta

(25-03-2026, 22:12 PM)spark Kirjutas:  Kas keegi teab kas Tallinnas (või ka mujal) on töökoda, kes ilma heebliteta suudab murutraktori rehve velje peale panna ja maha võtta!
Heeblitega saab ka ise hakkama, mis sest et see on paras ...

vbl. on kuskil ka kirjas aga otsinguga ei leidnud

Seal peaks olema...
https://votikmetsa.ee/
Kose külje all.
Vasta

(25-03-2026, 22:12 PM)spark Kirjutas:  Kas keegi teab kas Tallinnas (või ka mujal) on töökoda, kes ilma heebliteta suudab murutraktori rehve velje peale panna ja maha võtta!
....

Päris ilma heeblita ei tee keegi - ikka tõmmatakse heebel üle veljetoe ääriku randi vahele ja alles siis võtab masin üle. Iseasi, kes viitsib nii pisikest asja pinki punnida.

Ning kas on vajagi - nii pisike ja pehme asi asi tuleb ilma heeblitagi maha, kui kord veljelt lahti on.

Kohila külje all Urgel on pisike rehvitöökoda, kus viitsivad nokitseda: https://maps.app.goo.gl/Vo4XJkjfRvL7p2Te7
Vasta

Mis peaks heeblit kartma?Veljelt maha tallad jalaga ja oma keha mass...Heeblitele pannakse plastkate,et valuvelge ei rikuks ja kui valuvelg ellu jääb siis ei juhtu ka muruka veljega miskit...Teed enne eemalduse velje ja rehvi seebika libedaks ka ja tuleb...Mul heeblikaitse olemas keilas.
Vasta

Tallinnas männiku teel OÜ VLT võttis mu haagise rattalt rehvi maha, lappis ja pani peale tagasi. Väiketraktori haagise rehv on samas mõõdus kui murutraktori tagumine. 

Kas nad tegid seda heebliga või ilma, ei oska öelda, aga tehtud said ja kõik jäi ka terveks.
Vasta

Kuidas te need rattad veovõllilt kätte saate? 
Patsiendiks Cub Cadet LT1.
Vaja vedav ratas kätte saada rehvi menetlemiseks, aga avaldab vastupanu.
Kas tule, kuvalda ja ********matiga või on seal mingi kavalus, mida ma ei tea?
Viimast vahendit sai ohtralt tarvitatud, natuke tuld ja kuvaldat ka, aga seda palju ei julgenud.
Kuidas profid need kätte saavad? On kellelgi kogemust?

Kiuslik kaabakas. Big Grin
Vasta

Tavaliselt aitab, kui kinnitusmutrid/poldid veidi lahti keerata ning sōitu minna - vähemalt auto puhul saab kinnijäänud ratta ilusti rummu küljest lahti.

Idiootidega pole mõtet vaielda - nad veavad sind enda tasemele ja lajatavad siis kogemusega /Iid-Tõstamaa/
Anna väikesele inimesele veel väiksem võim kätte ja ta arvab kohe et on Jumal taevas (või mode foorumis...)
Vasta

Sõit ei tule hetkel kõneks, rehv katki.

Kiuslik kaabakas. Big Grin
Vasta

(25-04-2026, 18:14 PM)tcumen Kirjutas:  Kuidas te need rattad veovõllilt kätte saate? 
Patsiendiks Cub Cadet LT1.
...

Säärane preparaat:
https://www.youtube.com/watch?v=iQ8wJGhOcfA ?

Kui rehv ikka üldse tuult ei pea isegi väikese ringi jagu, siis peab vägivallatsema hakkama. Koormarihm ja sobiva pikkuse ning diameetriga toru/varras vahele ja tirima. Vahepeal koputad kõrvalt haamri ja torniga võlliotsa pihta. Kui on mingi sobiv tõmmits võtta, siis peaks kannatama veljest sobivad avad ka läbi puurida, mille külge tõmmitsa tala kinnitada.

Või surud tagant raamist laua/prussiga.

Mõned variandid on siin näidatud:
https://www.youtube.com/watch?v=A20UW6OICfk
Vasta

Nojah, ma olin natuke laisk kirjutama ennem.
Hr. v6sa esimene lingitud video on tuttav, seal on teine mudel, ratas istub võllil koonusega.
Minu omal ilmselt mitte, kui uskuda lingil olevat pilti:
https://www.motoruf.com/n/partslists.html?id=50393587
Teist videot peab studeerima.
Tõmmitsaaugud rattasse on puuritud ja tõmmitsat kasutatud. Väljapoole olen saanud ca 7mm. Edasi nagu kännu taga.
Vägisi hakkab tunduma, et õigem on sild alt võtta ja käimakast lahti võtta, siis saab selle ratta koos võlliga pressi alla panna.
Kuvaldaga ei julge taguda rohkem, peksan selle alust kasti puruks. 
Omatehtud press 25t tungiga on täitsa olemas. 
Kui peenmehaanikad need murutraktori difrid ikka on?

Kiuslik kaabakas. Big Grin
Vasta

(25-04-2026, 19:13 PM)tcumen Kirjutas:  Nojah, ma olin natuke laisk kirjutama ennem.
Hr. v6sa esimene lingitud video on tuttav, seal on teine mudel, ratas istub võllil koonusega.
Minu omal ilmselt mitte, kui uskuda lingil olevat pilti:
https://www.motoruf.com/n/partslists.html?id=50393587
Teist videot peab studeerima.
Tõmmitsaaugud rattasse on puuritud ja tõmmitsat kasutatud. Väljapoole olen saanud ca 7mm. Edasi nagu kännu taga.
Vägisi hakkab tunduma, et õigem on sild alt võtta ja käimakast lahti võtta, siis saab selle ratta koos võlliga pressi alla panna.
Kuvaldaga ei julge taguda rohkem, peksan selle alust kasti puruks. 
Omatehtud press 25t tungiga on täitsa olemas. 
Kui peenmehaanikad need murutraktori difrid ikka on?

Ma ühte ei saanudki. Tule, tõmmitsa ja üldse kõigi youtubi nippidega. Ainus võimalus tundus ümber võlli ära lõigata.
Pressi all pressib enne velje katki kui lahti tuleb.
Õnneks on need rehvid pehmed. Saab ka niisama vahetatud. Eebliga ca 10 min. 
All isegi lihtsam,  ei lähe eest ära.
Vasta

Husqvarna raideri hüdrosilla küljest ei saanudki muidu rattaid kätte, kui kast pooleks ja pressi alla. Üks pool tahtis umbes 16t, teine tuli lihtsamalt 14t.
Enne seda sai leotatud, kuuma antud, igasuguseid tõmmitsaid proovitud.
Vasta

Mõni aasta tagasi olin hädas lumepuhuri ratta eemaldamisega,kõik sai proovitud matid,tõmmitsad kuumus ja ikka irvitas näkku ja tookord jäigi sinnapaika....Nüüd puhur hoolduseks molekulideks võetud ja tiigersaega saagisin võlli tuimalt pooleks,velg treipinki ja puurisin võlli välja....Ja kuna veovõll nagunii maas ja maha oligi vaja võtta siis treipingis keevitasin võllile maha saetud osa uuesti tagasi....
Vasta

Kätte sain. Padruni saba külge paarimeetrine toru ja seda vajutades käis raks ning hakkas tulema ka täitsa normaalse jõuga keerates.
Mille taga ta kinni oli, ei saanudki aru. Viguri pärast proovisin teist ratast ka, too tuli suurema pingutuseta. Ilmselt kartis eelneva vägivalla kordumist. Big Grin

Kiuslik kaabakas. Big Grin
Vasta




Kasutaja, kes vaatavad seda teemat: 2 külali(st)ne