Keevitus

Küsi Eno1 käest, see tartu bussiga mees, saatsin oma keldri varanduse temale, mäletamist mööda oli keevituse kastis midagi sellist, tal võibolla alles ja üle. Neil ka seal Lokutal purtse masin.

http://forum.automoto.ee/member.php?acti...e&uid=2072
Vasta

Mul oli 1987 a ESAB Minimig 125 220 v, ehk väike aga suht profi aparat. Keevitas ilusti 3-4 mm materjali. Varastati ära Sauelt juuni 2006. Tean isegi kes pätt on. Kui keegi on sellist keevitust näinud müügis olen huvitatud teada saada, need ei tohiks palju olla Eestis. (Ei hakka tagasi ostma!)
Vasta

Huvitav kas kellegil on nende purtse modulite skeeme kah? Sain omale kasutada ühe nüüd ja vahetasin ka dioodid ära ning ühendasin nii et iga faasi peale 2 dioodi nagu ennegi old aga miinusest maandust ei tule ning ainuke koht kust "keevitada" saab on söepulga august aga see ei ole mitte õige asiSad seega oleks vaja mingit joonist või juhist et vaadata mis viga on. Traadi etteanne töötab ja trahvod ka undavad nii nagu vaja jne.Smile
Vasta

Ma pean neid skeeme vaatama, võibolla isegi on vanaonust alles jäänud. Mul oli Purtse keevitusel sama viga, tükk aega otsisin, aga juhuslikult avastasin, et aparaadi seest miinus juhe kaablikinga juurest ära põlenud. Seal oli plastiktoruke peal ja see hoidis juhet ilusti paigal.
Vasta

Purtse keevitusi tehakse tänapäevani. Enda oma saatsin tehasesse forseerimisele, oli päevake seal, küsiti 500 eeku ja pill töötab kui uus. Vahetati elektriskeemil mingeid jublakaid suuremal hulgal.

IZ-412 74a. 2*IZ-412 IE 88a. IZ 2715 87 a.
Vasta

Jep, asub Kohtla-Järve vanalinnas päästeteenistuse juures see koht.
Vasta

To pets4524.
Kontrolli, kas panid ikka kõik samasuunalise juhtivusega dioodid ja panid dioodsilla õieti kokku.
Vasta

Kõik dioodid lasid jah ühtepidi voolu läbi ja sama pidi kui ka originaalid st juhtmest keerme poole vist olid aga mismoodi dioodisilla kokku pidin panema? seal on 6 radikat ja sinna sisse aint sai neid keerata ning muud ei miskit ning iga mähiseotsa külge läks 2 dioodiotsa ja mujale neid panna ei oldki.Radikate alt tuleb latt ja sealt ülemiste 3 radika alt läheb läbi mingi mähise miinusesse ja alumiste alt tulevast latist läheb plussi juhe või oli vastupidi ning suurte mähiste seest tuleb juhe mis läheb sinna C auku ehk sinna söepulga asja. See söepulga ots on nagu aru olen saanud miski kuumutamise jaoks või nii aga kui ma voolu kõige tugevama peale keerasin või isegi üks naks vähem siis sai sealt maandust võttes keevitada küll ilusti? Kas see teeb millegile miskit halba kah kui sedasi seda tarvitada? Miinusjuhet raputasin mähise küljes enne ka nii mis jube ja ühtegi lahtist ega katkist juhet ei leidnud küllSad Igasugu juhised oodatudSmile
Vasta

Otsisin neid skeeme kah, et kas on miskit alles, aga pold miskit.
Vasta

pp
.doc Keevitus 2.doc Suurus: 90 KB  Tõmbamised: 810
Vasta

To pets4524.
Kahjuks olen arvutialal nõrk, ei saanud arugi kui skeemi üles laadisin. Tahtsin skeemile lisada veel paispooli, mis ühendatakse peale dioodsilda +klemmi ja keevituskäpa vahele..
See skeem on traatkeevituse sekundaarpoole mähiste ja dioodsilla põhimõtteline ühendusskeem.
Vasta

Huvitav...selle järgi on need dioodid ju 3 tk ühtepidi 3 tk teistpidi st ühe pea ja teise pe..e kokku? aga mul olid kõik ühtepidised st kõik kuus läksid radikatesse ja siis väljuvad juhtmed paarikaupa kokku ja mähise pealt tuleva juhtmega kokku või nii. Ja siis veel see paispool (kui see on see mähisemoodi asi) on mul miinuse vahel hoopis. Ma ei ole selles voolu valdkonnas eriti kodus aga proovisin umbkaudse skeemi teha kuidas mul hetkel on ja minu arust on ta ka tehasest tulnud juba nii sest dioodid olid nii kinnitatud kuigi enne oli ka keegi seda remontida püüdnud Sad kuid enne ta töötas ju koguaegSmile

   

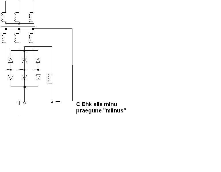
Kui ma nüüd ise vaatan siis tulevad mul + ja - ju samad asjad? ja praegu töötab siis poolikult? ja mis koht see on millest mul see C tuleb kuskilt mähise keskelt? Krt keegi on ikka jube ära häkkinud selle asja siis ju? Kindel et see antud skeem on lollikindel st kui selliseks ümber teen siis paukku ei tee?Big Grin selline siis peaks olema jah?

   

Nüüd siis joonis minu omast ka korrektseks muudetud Smile
Vasta

To pets4524.
Ma arvan, et su keevituse vana dioodsild oli tehtud erisuunalise juhtivusega dioodidest, s.t. 3 dioodi juhtisid ühtepidi ja 3 vastupidi. Vaata vanad dioodid üle, seal on peal väikesed dioodi märgid, need näitavadki juhtivuse suunda. Või äkki on sul hoopis paispoolis katkestus sees?
Vasta

Ise küsin ise vastan jahBig Grin Vaatasin uuesti üle ja kakkusin kõik laiali ning leidsin ühe vana katkise dioodi ning üks oli jah teisesuunaline seega praegu ma saan plussi õigetest dioodidest aga miinuse jaoks oleks vaja 3 teistpidist dioodi sellise mehaanilise liitmise korral nagu mul on või pean need kolm praegust füüsiliselt teistpidi keerama ja uuesti ühendama lihtsaltSmile praegune "miinus" tuleb siis nii et suurte mähiste teised otsad on kõik kolm omavahel kokku ühendatud ja seda otsa ma kasutangi seda nn söepulga otsa maandusena (üks targem ütles et kui mähised kuumaks ei lähe jne siis ei tohiks hullu olla?). paispooli pole üldse vahel seega ja sinna dioodsilla miinusesse tuleb täpselt sama asi järelikult nagu plussigi mul dioodsillast. Selle kompoti saaks ju toimima nii, et kolmel vean juhtmed teistpidi külge st et siis mähiseots ühele klemmikülge ja teisele lisajuhtmega siis vindi külge ja ühtede vindist saan plussi nagu praegu ja siis teise klemmist saan miinuse? Kolmel ühendan vindid kokku saan plussi ja siis teisel kolmel ühendan klemmid kokku saan miinuse? Uusi dioode pean otsima hakkama kah muidugi aga senikaua saan ju niimoodi ka hakkama? Igatahes suur tänu praktikule skeemi eest nüüd on vähemalt põhimõte selge.
Vasta

To pets4524.
Tundub, et sa hakkad asjale pihta saama. Dioodi keerme poole saad juhtme ühendada vask- või alumiiniumlati abil, millel ühes otsas suur auk,mis jääb dioodi alla ja teises otsas auk ühendusjuhtme kinnitamiseks.Võib-olla leiad isegi spetsiaal- klemme selle jaoks. Kindlast ühenda ka paispool, muidu hakkab keevitamisel kõvasti sädemeid loopima ja keevisõmblus ei tule hea. Paispooli ülesandeks on alaldatud keevitusvoolu silumine. Paipooli ühendamisel + või - ahelasse ei ole vist suurt vahet, olen näinud mõlemaid variante. Edu sulle.
Vasta

Kas paispooli järel peaks olema ka mingi mahtuvuslik lüli? Kui keevituskaare kustumisel paispool voolutugevust säilitada püüab, võib
väljundis tekkida küllaltki kõrge pinge.
Vasta

Võib siis öelda et TEHTUDBig Grin Siristasin eile pool päeva mõnuga ja siis... sai traat otsa Big Grin seega asi toimib ilusti ja keevitus on ikka oluliselt teine teema kohe nagu arvata oligi nii, et tänud aitajateleSmile
Vasta

kus seda purtse keevitust muidu müüakse ja mis hinnaga?

jeep cherokee
cadillac fleetwood
http://www.zone.ee/mbcar/
Vasta

Kas keegi oskab öelda, kust tasuks Tartu kandis keevitust otsida?
Ja kui juba otsida, kas siis pigem migi või inverterkeevitust, hind võiks jääda 5000 kanti. Asi nimelt selles, et olemasolev vahelduvvoolu elektroodkeevitus on liiga võimas ja lõikab plekist lihtsalt augu läbi (ilmselt on siin süüdi halvad keevitamisoskused Rolleyes )
Vasta

Tallmaci soovitan,sinu keevitamisoskustel ei olegi niisuur roll, elektrood keevitus polegi mõeldud õhukese pleki keevitamiseks, seda ei saagi teha õieti, kuna plekk tõmbub igatpidi lainesse...



Vasta




Kasutaja, kes vaatavad seda teemat: 1 külali(st)ne