K: Vaz 2101 elekter (fiat)
#1

Tere,
hakkasin masninat peale talve käivitama. Kuid keegi oli küünla juhtmed kõik ära võtnud, panin need kõik peale, kuid panematta jäi pea-juhe. See, mis sinna juhtmeid jagavasse torbikusse keskele läheb. Lasin mootorit ringi paar korda, ei lubanud, sain aru et see juhe puudus. Hilisemal juhtme lisamisel, polnud enam sädet, milles võib viga olla?
Kas lüõi kuskilt midagi üle? sellepärast et polnud elektril mootori ringi ajamisel hetkel massi..
T.M
Vasta
#2

Big Grin Selle juhtmeid jagava torbiku (jagaja kaas) all on peidus kontaktipaar. Mootorit ringi ajades peavad need kontaktid avanema ja sulguma.Kontaktide tööpinnad tuleb puhastada peenikese muuk viiliga.kontakti vahe panna 0,2-0,4 mm. ja torbik Big Grin peale ja käima. Arvata on et talvega oksüdeerusid kontaktide tööpinnad ,kuna jäid avatud seisu.
PS. Ja kõigetähtsam on need juhtmed mis küünalde otsa lähevad, paigutada igale juhtmele täpselt ettenähtud torbiku auku (süüte järjekord) Big Grin

Tegelikult on alati kõige ohtlikumad inimesed ühiskonnas truualamlikud käsutäitjad kelle ainuke soov on
                                           OLLA KEEGI JA SILMA PAISTA
Vasta
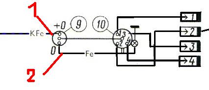
#3

Vaata kas kaane all on süsielektrood koos vedruga alles. See peab olema kaane küljes keskmise väljaviigu all. Kas keegi pole pihta pannud jaoturit ja kas raadiohäirete kaitse ikka laseb voolu läbi või on ära kõrbenud. kui mootorit ringi ajada peavad kontaktid kokku minema ja lahku minema. Pane voltmeeter või proovilamp vastu nr 1 klemmi, peab olema akupinge. pane vastu 2 klemmi ja mootori ringiajamisel peab olema kord akupinge ja kord 0 volti. Kui kontaktide vahel on liiga tugev säde, on kondensaator katkestuses, kui mootorit ringi ajades kontaktil 2 pole pingemuutusi on kas kontaktid mustad, ei lahutu, ei ühendu või kondensaator lühises. Edasi vaata ise.


Manustatud failid Pisipilt (pisipildid)
       

Инвалид информационной воины на фронте Пярну-Хииу. 
Tsiteerides John McCaini: "Venemaa on peamiselt bensiinijaam, mis teeskleb riiki"," rääkis Basse.
Vasta




Kasutaja, kes vaatavad seda teemat: 1 külali(st)ne