Aku kinnituse osas - tassisin juba poest materjali kohale, et eelpoolviidatud raamist koopia teha. See ootab nüüd vihmast õhtut, et välja lõigata ja kokku keevitada.
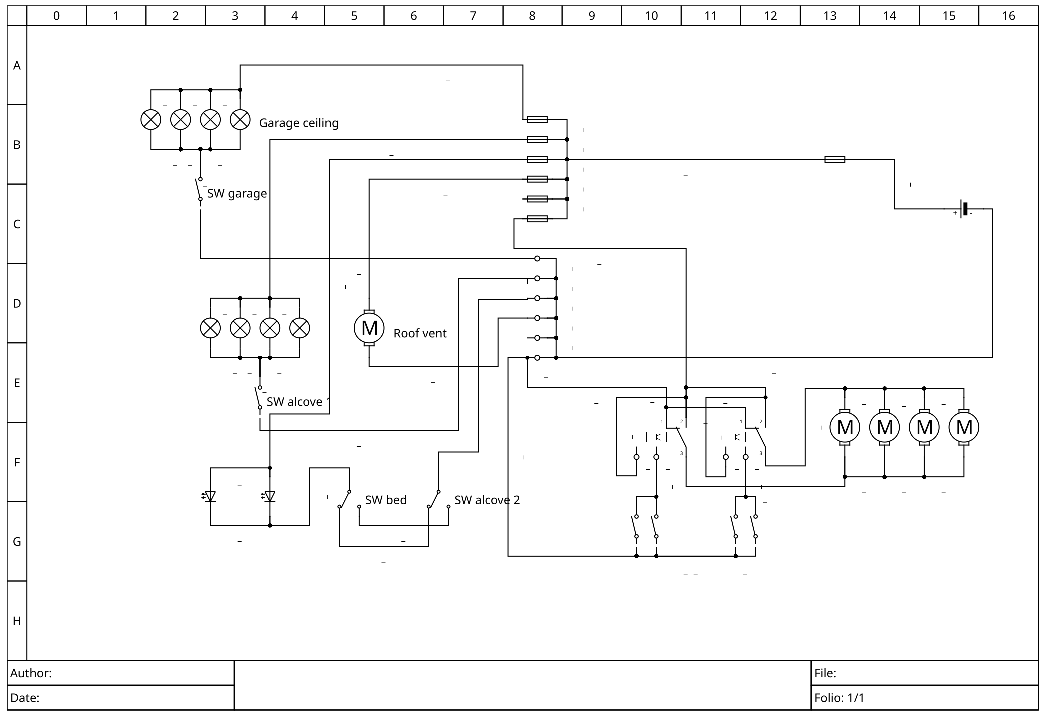
Üldises plaanis sai vahepeal... noh, kas nüüd valmis, aga edasiminekuks sobivasse seisu elektrisüsteem. Selleks, et peas mingi kord luua ning aru saada, mida ja kuidas ma üldse teha kavatsen, joonistasin kõigepealt kiire elektriskeemi:
Kuna ma kasutasin seda programmi (
QElectroTech) esimest korda ja noh üldises plaanis olen ka elektrotehnikas suht võhik, siis mingeid iluauhindu ülalolev pilt ilmselgelt ei võida, aga siiski oli suureks abiks.
Funktsionaalsus on selline, et kokku on kolm gruppi valgusteid: toa lagi, garaaži lagi (ehk voodi alumine külg) ja voodi kohale tulevad laenurkadesse LED ribad. Esimesed kaks said endale kumbki ühe lüliti, vastavalt küljeukse juurde ning tagaukse lähedusse, ribad said veksellülitite paari, et neid oleks võimalik lülitada nii toast kui voodist. Lõpuks said voodimootorid kardinalülitite paari, nii toast kui garaažist liigutamise jaoks, aga selleks, et need tööle hakkaks (voodimootorid vajavad polaarsuse vahetust, ühtepidi sõidavad üles, teistpidi alla), oli vaja lisada kaks 5-jalgset releed - puhkeolekus on mõlema relee väljund massiga ühendatud, ühele voolu peale andmine tõstab selle toite külge ja mootor hakkab vastavas suunas sõitma. Teoreetiliselt ei tohiks kahe lüliti koos vajutamisel ka midagi hullu juhtuda (mootor muidugi ei liigu), aga nagu selgus, on kardinalülititel sees mingi kaval mehaanika, mis selle olukorra üldse välistab, viimati vajutatud nupp tühistab eelmise. Lõpuks ventilaator saab lihtsalt pideva toite, selle juhtimiseks on eraldi nupud ja kaugjuhtimispult.
Mõned asjad on veel, mida skeemil ei ole, USB laadijad voodisse ja pööningule ning külmkapi ja veepumba toited, aga need on lihtsalt juhtmepaarid, milles mingit keerukust pole ja seega ei hakanud neid pildile lisama, see niigi juba suht segane.
Seejärel panin paika "kilbi" asukoha, kruvisin sinna tagaseinaks ühe veidi tummisema tüki vineeri, selle külge läks omakorda kaitsmekarp ning siis hakkasin ükshaaval juhtmetega tulema.
Juhtmeks ostsin 100m kõige lihtsamat kiulist 1,5mm2 kahesoonelist ehituskaablit, eks ta silmale natuke harjumatult jäme on, aga vask on vask, hind on hea ja lohutasin end sellega, et kui miski peaks kuskil natuke halvasti vibreerima või hõõruma jääma, siis isolatsiooni, mida läbi kulutada, on uhkelt

Teisest küljest oli veidi jäigemat kaablit jälle mõnus vedada, see võtab ise sujuvad kaared jms sisse, ei pea iga 5cm tagant nipukat panema.
Ehituse värvidega muidugi sai nalja, kuna teatavasti KTM-il ja ilmselt ka paljudel teistel sõidukitel on mass pruuni värvi, siis korrutasin endale habemesse koguaeg, et "sinine-miinus, pruun-pluss". Mõnda aega see töötas, aga kuskil kolmandal tunnil oli ajus ikka see bitt harjumuspärasesse olekusse flippinud, niiet kohati on need värvid vastupidi

Kui avastasin, siis keerasin muidugi jälle õigele rajale tagasi, eks näis, kas õnnestub kilbi korrastamise käigus asi päris ära korrigeerida. Kuna kõigi juhtmete jooksev korrastamine ei mahtunud mulle koos muu kupatusega pähe ära, siis loobusin üsna alguses ning jätsin kilbi poole lihtsalt pikkusevaru, et kui kõik on veetud, siis võtan lahti, lõikan parajaks ja vean juhtmed viisakalt:
Mingi hetk hakkas ühe posti külge kinnitatud kaablikimbu paksus natuke suureks kiskuma ning otsustasin pooled neist kõrvalposti külge kolida - see andis kilbi välimusele viimase kabelimatsu
Aga kuna kõik funktsioonid töötasid ning kilpi korrastada saab ka vihmaga, aga paljusid muid töid ei saa, jäi see hetkel sinnapaika ning läksin edasi seinte paigaldusega. Kuna mulle üldse ei meeldi tüüpilise "vanlife" stiil, kus kuut lihtsalt saunalaudadega üle lüüakse, siis valisin materjaliks 4mm vineeri, et loodetavasti on piisavalt kergesti töödeldav ja muidu majandatav, aga ei jää päris vedel. Ausalt öeldes ma pole veel päris kindel, kas see ikka on hea otsus või oleks pidanud paksema võtma, aga noh, materjal on ostetud, niiet seina ta läheb. Takkajärgi muidugi saan aru, miks need saunalauad popid on, paigaldus on lihtsalt selline järk-järgult nokitsemine, võtad laua, sobitad paika, paned kinni, võtad järgmise, saad vajadusel natuke ebatäpsusi korrigeerida jne, vineeriga tuleb terve ruut ühe katsega puhtalt paika aevastada. Aga väikese nuputamise järel said kaks kõige lihtsamat ruutu paika:
Tegelikult suur plaan on ikka enne lagi paika panna ja siis seinad, et seinad lage kannaks, aga kuna mul on seinad liigendatud ja tahtsin enne töövõtted ja -rutiinid paika saada kui vastutusrikaste kohtade kallale lähen, siis läksid need esimesena. Ega lõpuks midagi erilist ei olnudki, tahvel mõõtu, sika-t vahele, näpitsatega kinni ja lõpuks kruvid peale. Lõpuks tuleb kõigele värv peale, ehk siis "puidutooni" ei jää mitte midagi.
Lõpuks täiesti mittekinnimakstud kaubanduslik teadaanne - kuigi ma üldiselt eelistan puutöö juures käsisaagi, sest väheste kogemuste juures on sellega rahulikult nokitsedes võimalik palju täpsem tulemus saada kui kärr-pahh-trahh elektritööriistadega, siis olin vineeri osas mõnda aega päris kimbatuses, sest 30-40m jagu vedelate tahvlite käsisaagimine üldse ei isutanud. Tavaline käsi-ketassaag on jälle suhteliselt hirmus riistapuu, väike vääratus ja pilpaid lendab, samuti on juhe koguaeg jalus jne. Aga õnneks tuli välja, et Ryobi toodab sellist parajat mini-ketassaagi, mis tänu väikesele kettale jätab üsna puhta jälje ning tänu akutööriistale omasele väiksemale võimsusele toimub kogu protsess minu ajule vastuvõetava kiirusega:
Eriti abiks oli uputusfunktsioon, ma ei tea, kas oskan seda arusaadavalt kirjeldada, aga erinevalt tavalisest ketassaest on tald hinge ja vedruga - uputamiseks tuleb lihtsalt märgid paika sättida (selleks on ka külje peal kriipsud, mis pole küll supertäpsed, aga siiski enam-vähem mõistuse piirides), nuppu vajutada ja saag alla suruda. Rattakoobaste avad said mu oskusi arvestades ikka väga puhtad, nurkadest tuli paari mm jagu käsisaega järgi aidata, aga üle joone ei läinud ükski lõige.
Noh ja eriti meeldis selle riistapuu hind,
Bauhof müüb seda septembri alguseni 99€ eest, ehk siis veidi silmi kissitades on kas aku tasuta vöi tööriist tasuta, oleneb vaatenurgast. See hind kehtib muidugi ainult veebist tellides, poes kohapeal maksab 150€ - kolm korda võite arvata, kas ma sõitsin selle fakti teada saamiseks Lasnamäele ja tühjade kätega tagasi või mitte