K: Delta aju skeem?
#1

tere!
Kas kellegil leidub kuskil delta halliploki ehk aju skeemi.
Olen otsinud igast kohast aga leidnud ei ole.
  Tänan!
Vasta
#2

http://www.hot.ee/moskvits/motondus/moto.html

sealt vaata mopi el skeemi alt
Vasta
#3

Ma arvan, et ta mõtles süüteploki/hõbekarbi skeemi.
Vasta
#4

vaadaku veel www.motokuur.ee alt ja seal piax olema

Vasta
#5

www.motokuur.ee sealt otsisin ka aga ei leidnud
Vasta
#6

nüüd peaks olema skeemid ja komponentidemargid olemas http://www.hot.ee/moskvits/motondus/ScanImage001.jpg

http://www.hot.ee/moskvits/motondus/raam...icture.jpg

http://www.hot.ee/moskvits/motondus/raam...%20001.jpg

siin on kõik andmed
Vasta
#7

tänan skeemi eest!
Vasta
#8

moskvits Kirjutas:nüüd peaks olema skeemid ja komponentidemargid olemas http://www.hot.ee/moskvits/motondus/ScanImage001.jpg

http://www.hot.ee/moskvits/motondus/raam...icture.jpg

http://www.hot.ee/moskvits/motondus/raam...%20001.jpg

siin on kõik andmed
Tere
Kas oleks võimalik neid skannituid pilte veel saada, oleme hädas.
Tänud ette
Vasta
#9

delta cdi skeem    
Vasta
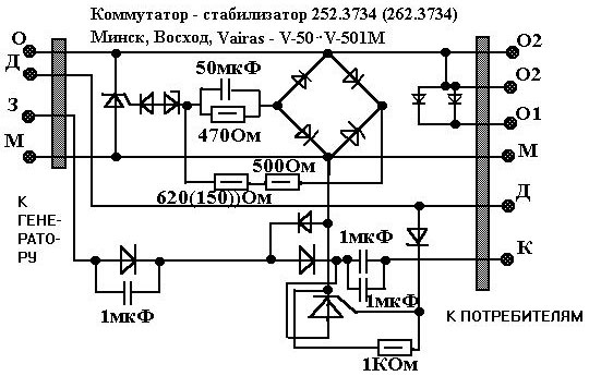
#10

äkki oleks keegi nii kena ja seletaks/tõlgiks sel skeemil oleva venekeelse teksti mulle ära. omal tarvis hakkata viga otsima mopeedil seal karbi sees.

miks osta kalleid plassmass junne kui vana venetehnika ka kohale veab?
Vasta
#11

selle vea otsimine on kül mõtetu ploki sees on mitu dioodi ja muid väikseid osi, osta parem uus või proovi mõnda teist
Vasta
#12

Elektroonikaskeemides kasutatakse rahvusvahelisi tingmärke ja markeeringuid, see, mis keeles on muu jura seal, ei mõjuta seda, kas inimene on võimeline elektroonikaskeemi lugema ja sellest aru saama või mitte.

Antud skeemis mahtuvuskondensaatorina paralleelselt kasutuses olevad 2x1mf, millega on tekitatud 2mf'ine mahtuvus, on reaalselt liiga palju. Piisav 1mf, millega saab välistada ka selle, et mingist kõrgemast pööreteosast ei lase antud kommutaator üle minna, kuna "säde ei jõua järgi" - kuna lihtsalt ei jätku aega nii suure mahutuvusega kondensaatori laadimiseks.
Vasta
#13

tänud. tean, et uus otsida on mõtekam. kuid skeemi ma niipalju oskan lugeda, et nüüd vea leidmisega hakkama saan, kui ei saa siis ehitan algkomponentidest uue kui viitsimisest jagub mul.

miks osta kalleid plassmass junne kui vana venetehnika ka kohale veab?
Vasta
#14

oldmoped Kirjutas:Antud skeemis mahtuvuskondensaatorina paralleelselt kasutuses olevad 2x1mf, millega on tekitatud 2mf'ine mahtuvus, on reaalselt liiga palju. Piisav 1mf, millega saab välistada ka selle, et mingist kõrgemast pööreteosast ei lase antud kommutaator üle minna, kuna "säde ei jõua järgi" - kuna lihtsalt ei jätku aega nii suure mahutuvusega kondensaatori laadimiseks.

Sinu postitusest jääb mulje nagu oleks skeemis 1 mF(millifaradised) Kondensaatorid aga pildil on mkF ehk mikrofaradised.
Vasta
#15

Lihtsam on kasutada tähist µF. Siis ei tohiks kellelgi mingit valestimõistmist olla.
Vasta
#16

Kas keegi kunagi seda karpi reaalselt lahti ka on võtnud? Kas seda saab ilma vägivallata teha? Äkki lausa leidub pilti?

Samas kui kellegil on üleliigne rikkis karp ja tahab selle eksperimenteerimiseks mulle kinkida siis PS-i

Ostan Mini juppe!
Vasta
#17

(20-09-2009, 22:24 PM)Qubik Kirjutas:  Kas keegi kunagi seda karpi reaalselt lahti ka on võtnud? Kas seda saab ilma vägivallata teha? Äkki lausa leidub pilti?

Samas kui kellegil on üleliigne rikkis karp ja tahab selle eksperimenteerimiseks mulle kinkida siis PS-i

Kas see pole mitte mingit vaiku v6i vahtu täis valatud?

Pole midagi targemat teha
Vasta
#18

(21-09-2009, 11:43 AM)Killer666 Kirjutas:  
(20-09-2009, 22:24 PM)Qubik Kirjutas:  Kas keegi kunagi seda karpi reaalselt lahti ka on võtnud? Kas seda saab ilma vägivallata teha? Äkki lausa leidub pilti?

Samas kui kellegil on üleliigne rikkis karp ja tahab selle eksperimenteerimiseks mulle kinkida siis PS-i

Kas see pole mitte mingit vaiku v6i vahtu täis valatud?

oleneb karbist osad on osad aga lihtsalt kollase, buroloonitaolisese kaane all.

miks osta kalleid plassmass junne kui vana venetehnika ka kohale veab?
Vasta




Kasutaja, kes vaatavad seda teemat: