26-06-2011, 23:21 PM
(Seda postitust muudeti viimati: 26-06-2011, 23:27 PM ja muutjaks oli aavu.)
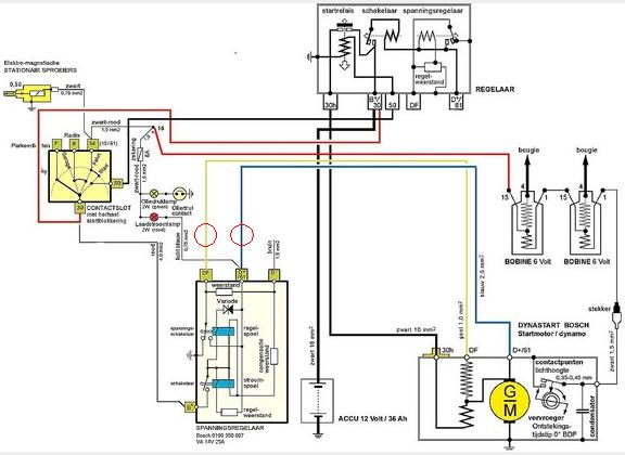
Kui sa leiad ühe või kaks ampermeetrit, millel on seier, mitte neid tänapäeva testreid. Näiteks GAZ-51 oma sobiks hästi või analoog.
Ühenda see kordamööda või korraga mõlemad skeemil näidatud kohta. Siis käivita ja käivitamise ajal jälgi näitusid. Kui seal käivituse ajal mingid voolud on, eriti veel 1A või suuremad, peaks kahtlustama seda sama karpi, mille juurde ma need joonistasin. Et sealtkaudu on käivitamisel suur voolukadu ja starterile ei jätku. Kui mootor käib, siis peabki sealtkaudu laadima akut ja tulesid ja süüdet, siis on seal vool normaalne nähtus.
Teine asi, kas juhtmed kuumenevad kogu pikkuses või on ainult ühe või mitme klemmi või koha pealt kuumad? Kui kogu pikkuses on kaks võimalust: kas andsid liiga pikalt starterit või jookseb osa voolu kõrvale. Kui ainult üks-kaks kohta, siis seal on kehv ühendus, mis tuleks puhastada-pingutada või juhtme keskel on osa kiude pooleks.
Praegu rohkem ei paku.
Ühenda see kordamööda või korraga mõlemad skeemil näidatud kohta. Siis käivita ja käivitamise ajal jälgi näitusid. Kui seal käivituse ajal mingid voolud on, eriti veel 1A või suuremad, peaks kahtlustama seda sama karpi, mille juurde ma need joonistasin. Et sealtkaudu on käivitamisel suur voolukadu ja starterile ei jätku. Kui mootor käib, siis peabki sealtkaudu laadima akut ja tulesid ja süüdet, siis on seal vool normaalne nähtus.
Teine asi, kas juhtmed kuumenevad kogu pikkuses või on ainult ühe või mitme klemmi või koha pealt kuumad? Kui kogu pikkuses on kaks võimalust: kas andsid liiga pikalt starterit või jookseb osa voolu kõrvale. Kui ainult üks-kaks kohta, siis seal on kehv ühendus, mis tuleks puhastada-pingutada või juhtme keskel on osa kiude pooleks.
Praegu rohkem ei paku.
Инвалид информационной воины на фронте Пярну-Хииу.
Tsiteerides John McCaini: "Venemaa on peamiselt bensiinijaam, mis teeskleb riiki"," rääkis Basse.
