Küsimused t-25A-1 kohta

Kes teab. Mis aastast hakati D-21 mootori plokile valama kollektori toe kinnituskohta? See on see kolmnurkne valu kolme auguga ploki vasaku külje tagaosas kahe õlistutseri vahel.

Aquila captas non muscas.
Vasta

(27-04-2019, 22:18 PM)Laurts Kirjutas:  
Selline "vahetükk"?

https://youtu.be/Qkma03ir0ic
Jah see tükk. Venes see lettidelt võtta. Eestis seda saada pole. Paar venda on üritanud teha, kuid ebaõnnestunult. Poola variant ei tule kõne alla mis on generaatori kõrvale ehitatud.

(28-04-2019, 10:56 AM)Daff Kirjutas:  Kes teab. Mis aastast hakati D-21 mootori plokile valama kollektori toe kinnituskohta? See on see kolmnurkne valu kolme auguga ploki vasaku külje tagaosas kahe õlistutseri vahel.

Mootoreid on vist 4 erineva järgi.
1974a tekkis generaatori kinnius.
1976a masinal puudub see kollektori kinnitus veel. 1977a masinat pole kohanud ja 1978a masinal on juba see kollektori kinnitus olemas ja armatuur läks pikaks. aasta hiljem tekkisid ka kõrged poritiivad.
1991 muutus see kollektori kinnitus 2 auguga ja kollektori jalg ise muutus 1994a. - siis tekkis ka d120 mootor

On suur vahe, kas elada aastas 1980 või nostalgitseda aastat 1980.
Vasta

[quote pid='476090' dateline='1556438796']

(28-04-2019, 10:56 AM)Daff Kirjutas:  Kes teab. Mis aastast hakati D-21 mootori plokile valama kollektori toe kinnituskohta? See on see kolmnurkne valu kolme auguga ploki vasaku külje tagaosas kahe õlistutseri vahel.

Mootoreid on vist 4 erineva järgi.
1974a tekkis generaatori kinnius.
1976a masinal puudub see kollektori kinnitus veel. 1977a masinat pole kohanud ja 1978a masinal on juba see kollektori kinnitus olemas ja armatuur läks pikaks. aasta hiljem tekkisid ka kõrged poritiivad.
1991 muutus see kollektori kinnitus 2 auguga ja kollektori jalg ise muutus 1994a. - siis tekkis ka d120 mootor
[/quote]

Mul 1977. a masinal on see kinnitus olemas. Mootor ilmselt toodetud aprill-mai. armatur on nö pikk.
Vasta

(28-04-2019, 11:06 AM)unimüts Kirjutas:  Jah see tükk. Venes see lettidelt võtta. Eestis seda saada pole. Paar venda on üritanud teha, kuid ebaõnnestunult. Poola variant ei tule kõne alla mis on generaatori kõrvale ehitatud.

Kui Poola komplekti all seda mõeldud, siis olles ise ka näinud seda traktori küljes, siis kipub jah olema sadul sea seljas teema.
https://www.pmkaubamaja.ee/et/pollumajan.../t-25.html
Eks võib muidugi topeltpumpade külgekonstrueerimise peale ka mõelda. Aga lahendatav ka lihtsamalt läbivoolujagajaga või dosaatorpumbaga, mille tagasivool kannatab survet. Jagaja ja dosaatori toitjaks NS-16 ja toimib. Kui millalgi selliselt lahendatud traktori juurde satun, võin pilte teha.
Endal jällegi selline küsimus. Uuema otsa Vladimiretsil tundub olevat nii kütuse peen kui jämepuhastusfiltriks miski MTZ jämepuhastusfiltri sarnane.
Kas ikka peenpuhastusel miskine papp-, nöörelement ka sees, või mõlemad ühesugused?
   
Vasta

(28-04-2019, 21:56 PM)meli666 Kirjutas:  
(28-04-2019, 11:06 AM)unimüts Kirjutas:  Jah see tükk. Venes see lettidelt võtta. Eestis seda saada pole. Paar venda on üritanud teha, kuid ebaõnnestunult. Poola variant ei tule kõne alla mis on generaatori kõrvale ehitatud.

Kui Poola komplekti all seda mõeldud, siis olles ise ka näinud seda traktori küljes, siis kipub jah olema sadul sea seljas teema.
https://www.pmkaubamaja.ee/et/pollumajan.../t-25.html
Eks võib muidugi topeltpumpade külgekonstrueerimise peale ka mõelda. Aga lahendatav ka lihtsamalt läbivoolujagajaga või dosaatorpumbaga, mille tagasivool kannatab survet. Jagaja ja dosaatori toitjaks NS-16 ja toimib. Kui millalgi selliselt lahendatud traktori juurde satun, võin pilte teha.
Endal jällegi selline küsimus. Uuema otsa Vladimiretsil tundub olevat nii kütuse peen kui jämepuhastusfiltriks miski MTZ jämepuhastusfiltri sarnane.
Kas ikka peenpuhastusel miskine papp-, nöörelement ka sees, või mõlemad ühesugused?

See poola oma on rõveda välimusega ja hirmkallis. Samas rahvas rabab neid lettidelt palju. Üks asi on seal hea, et kogu see kupatus ei kiusa sidurikojas olevaid kahte 110 laagrit. Ja omakorda hüdropumba ajamis väikseid laagreid. Need kurat ei kannata eriti valu. Ei teagi kas 2 pumpa kõrvuti välja kannataks.

Ma siin jebin juba aasta otsa poola "ülikvaliteet saastaga" ja no krt nende varuosad on ikka hullemad kui nõukaaegse punase esmaspäeva ja sinise neljapäeva hullem saast. Samas jah mis me tahame hinna osas teevad teistele 3x odavamalt silmad ette. Kvaliteet 20x sitem.

Paagi küljepeal  õhufiltri jala küljes on jämepuhastusfilter
https://www.pmkaubamaja.ee/et/pollumajan...1-000.html

Ja mootori küljes on peenpuhastusfilter
https://www.pmkaubamaja.ee/et/pollumajan...17030.html
Osadel masinatel on ka pikk papist filter sama läbimõõduga kui eelmine kuid ca 20cm pikk - haruldasem.

Kui nüüd jutuks tuli, siis mujale maailma saadetud masinatel on 2 peenpuhastusfiltrit kõrvuti. Mõlemas papist filtrid sees. Õhufiltri jala küljes jämepuhastusfilter.

Nöörfilter on saatanast. Need ummistavad torustike. Loomkatsed kõigil omal vastutusel. Teoorias on kõik ilus, kuid praktikas jama kuubis. Pappfilter toimib hästi, lihtsalt kütusetorustik peab olema korras. (keermed õiges mõõdus, seibid suure läbimõõduga ja toru/vooliku otsad sirged)

On suur vahe, kas elada aastas 1980 või nostalgitseda aastat 1980.
Vasta

(28-04-2019, 22:43 PM)unimüts Kirjutas:  See poola oma... Samas rahvas rabab neid lettidelt palju. Üks asi on seal hea, et kogu see kupatus ei kiusa sidurikojas olevaid kahte 110 laagrit. Ja omakorda hüdropumba ajamis väikseid laagreid. Need kurat ei kannata eriti valu. Ei teagi kas 2 pumpa kõrvuti välja kannataks.

Nöörfilter on saatanast. Need ummistavad torustike. Loomkatsed kõigil omal vastutusel. Teoorias on kõik ilus, kuid praktikas jama kuubis. Pappfilter toimib hästi, lihtsalt kütusetorustik peab olema korras. (keermed õiges mõõdus, seibid suure läbimõõduga ja toru/vooliku otsad sirged)

Kuulidega pumba sisse välja lülitus osa on endal ennem laagreid järgi andnud. Samuti õrn poolkuu kiiluga hammasratta kinnitus. Seepärast ei ole ka seda uuemat saada olevat NS-16 peale pannud, kuna sellega asi veel rohkem koormuse all.
Originaalpumbale ka hüdrorooli taha ühendamine nii ja naa. Rippsüsteem koormab pumbavedu tunduvalt harvem, kui pidev roolikeeramine.
Selle uuetüübi suuremad papist filtrid ehk kvaliteetsemad.
Vanatüübi oma läheb olematute töötundidega kortsu ja ei ole ka vedru tugevuses asi. Lihtsalt diisli sees pudeneb ära.
   
Vasta

(28-04-2019, 19:39 PM)Kodanik2 Kirjutas:  [quote pid='476090' dateline='1556438796']

(28-04-2019, 10:56 AM)Daff Kirjutas:  Kes teab. Mis aastast hakati D-21 mootori plokile valama kollektori toe kinnituskohta? See on see kolmnurkne valu kolme auguga ploki vasaku külje tagaosas kahe õlistutseri vahel.

Mootoreid on vist 4 erineva järgi.
1974a tekkis generaatori kinnius.
1976a masinal puudub see kollektori kinnitus veel. 1977a masinat pole kohanud ja 1978a masinal on juba see kollektori kinnitus olemas ja armatuur läks pikaks. aasta hiljem tekkisid ka kõrged poritiivad.
1991 muutus see kollektori kinnitus 2 auguga ja kollektori jalg ise muutus 1994a. - siis tekkis ka d120 mootor

Mul 1977. a masinal on see kinnitus olemas. Mootor ilmselt toodetud aprill-mai. armatur on nö pikk.
[/quote]
----------------------------------------------------------------------------------------------------------------------------------------------------------------------------------
Häire lõpp. Mootor 1976 aasta oma. Kui paraja nurga all valgust peale lasta siis oli TEHASE pirka pealt isegi võimalik välja lugeda mootori andmed. 
D-21A, 1800 Rpm.25 Hp. 1976 aasta.
Ostsin mingi tehase mootori mis oli nn.garaažileid. Seisnud katkise väntvõlliga terve igaviku. Aja jooksul olid jalutama läinud KSP, ventilaator ja küttefiltrid. Nüüd pisteti uus vänt sisse, pandi mootor komplekti  ja turgu.Sain asja õnnelikuks omanikuks.

Aquila captas non muscas.
Vasta

(29-04-2019, 20:19 PM)meli666 Kirjutas:  
(28-04-2019, 22:43 PM)unimüts Kirjutas:  Pappfilter toimib hästi, lihtsalt kütusetorustik peab olema korras. (keermed õiges mõõdus,

Selle uuetüübi suuremad papist filtrid ehk kvaliteetsemad.
Vanatüübi oma läheb olematute töötundidega kortsu ja ei ole ka vedru tugevuses asi. Lihtsalt diisli sees pudeneb ära.

muudkui kirutakse seda orginaal ikaldust,aga kaasaegsema vastu vahetada ei taheta miskipärast.
Vasta

(30-04-2019, 08:33 AM)muska71 Kirjutas:  
(29-04-2019, 20:19 PM)meli666 Kirjutas:  
(28-04-2019, 22:43 PM)unimüts Kirjutas:  Pappfilter toimib hästi, lihtsalt kütusetorustik peab olema korras. (keermed õiges mõõdus,

Selle uuetüübi suuremad papist filtrid ehk kvaliteetsemad.
Vanatüübi oma läheb olematute töötundidega kortsu ja ei ole ka vedru tugevuses asi. Lihtsalt diisli sees pudeneb ära.

muudkui kirutakse seda orginaal ikaldust,aga kaasaegsema vastu vahetada ei taheta miskipärast.

Töötaks see uus asi nii ideaalselt,  siis võiks mõelda.  Välimus selline pask kuubis juba. Siiani kõik originaal süsteemid korda saanud. Lihtsalt poola varuosadega on olnud ilgeid jamasid.
Uuendustest
Taimaal mehed riputavad endale tisse ka külge (paarikaupa nagu filtreid (settepott+peenpuhastusfilter) ja lasevad ka riista maha lõigata. KUid sigaraibe inimene ei funktsioneeri siis enam.

Olen aru saanud, et seda masinat tuleb kasutada originaalina. Ümberehitused peavad olema iga kandi pealt õigustatud. Olgu see siis hüdrosüsteem või küttesüsteem. Lihtsalt varuosadega on puhta-put sis.  Kui sellest jagu saada on masin igati vonks.



Mul suur mure endalgi. No kõik masinad korras. Varuosi ka ei meenu väga, mida koheselt vaja.... Mida teha - osta uus masin ja jalutada jälle varuosariiuli-masina vahet 2 nädalat ka ei paku pinget. KRT küll mure tegelt suur.  Ja ärge nüüd soovitage, et tee 4 last ja võta suur koer siis muresid (raha, hobisid ja vaba aega pole) Big Grin

On suur vahe, kas elada aastas 1980 või nostalgitseda aastat 1980.
Vasta

(30-04-2019, 19:50 PM)unimüts Kirjutas:  
(30-04-2019, 08:33 AM)muska71 Kirjutas:  
(29-04-2019, 20:19 PM)meli666 Kirjutas:  
(28-04-2019, 22:43 PM)unimüts Kirjutas:  Pappfilter toimib hästi, lihtsalt kütusetorustik peab olema korras. (keermed õiges mõõdus,

Selle uuetüübi suuremad papist filtrid ehk kvaliteetsemad.
Vanatüübi oma läheb olematute töötundidega kortsu ja ei ole ka vedru tugevuses asi. Lihtsalt diisli sees pudeneb ära.

muudkui kirutakse seda orginaal ikaldust,aga kaasaegsema vastu vahetada ei taheta miskipärast.

Töötaks see uus asi nii ideaalselt,  siis võiks mõelda.  Välimus selline pask kuubis juba. Siiani kõik originaal süsteemid korda saanud. Lihtsalt poola varuosadega on olnud ilgeid jamasid.
Uuendustest
Taimaal mehed riputavad endale tisse ka külge (paarikaupa nagu filtreid (settepott+peenpuhastusfilter) ja lasevad ka riista maha lõigata. KUid sigaraibe inimene ei funktsioneeri siis enam.

Olen aru saanud, et seda masinat tuleb kasutada originaalina. Ümberehitused peavad olema iga kandi pealt õigustatud. Olgu see siis hüdrosüsteem või küttesüsteem. Lihtsalt varuosadega on puhta-put sis.  Kui sellest jagu saada on masin igati vonks.



Mul suur mure endalgi. No kõik masinad korras. Varuosi ka ei meenu väga, mida koheselt vaja.... Mida teha - osta uus masin ja jalutada jälle varuosariiuli-masina vahet 2 nädalat ka ei paku pinget. KRT küll mure tegelt suur.  Ja ärge nüüd soovitage, et tee 4 last ja võta suur koer siis muresid (raha, hobisid ja vaba aega pole) Big Grin
kaasaegsema all pidasin silmas seda nö passati volksu peenfiltrit mis käib voolikute vahele.
Vasta

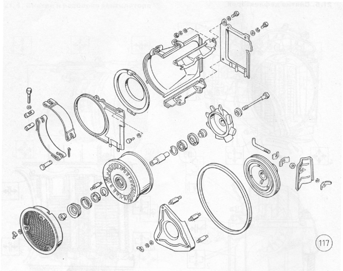
jahutusventilaator kohises,võtsin lahti ja laager kuiv,määrisin ära ja kokku panekul mõistus otsas tiivik loperdab otsas ja kõik.netis kataloogid olemas,aga vot ei oska otsida.
Vasta

(02-05-2019, 19:22 PM)muska71 Kirjutas:  jahutusventilaator kohises,võtsin lahti ja laager kuiv,määrisin ära ja kokku panekul mõistus otsas tiivik loperdab otsas ja kõik.netis kataloogid olemas,aga vot ei oska otsida.
http://www.autoopt.ru/auto/catalog/3/vtz/vtz-t25a/50/ 
Üks võimalik.
т-25А каталог вентлятор

Инвалид информационной воины на фронте Пярну-Хииу. 
Tsiteerides John McCaini: "Venemaa on peamiselt bensiinijaam, mis teeskleb riiki"," rääkis Basse.
Vasta

Üle ei jäänud midagi?

   

   

Töötavat asja ei maksa remontida, läheb katki
Vasta

https://fermer.ru/forum/selskokhozyaistv...v-2/197302    ентилятор Д-21
Proovi seda aadressi. Siin pildimaterjali ventika kohta.

Aquila captas non muscas.
Vasta

Ma pistsin nüüd mootorivahetuse käigus hoopis uuematüübi D-144 ventilaatori külge (markeering D-37E). Suvel oli purustajaga kogu aeg kraadiklaas rohelise lõpus. Nüüd peaks tuult poole rohkem olema.
Tegelikult on põkale paras vanema tüübi turbiin (markeering D-37M), sellel on labad umbes 1/5 jagu kitsamad. Aga saab ju õhuvoolu piirata kui suvel mootori jäässe puhub.

Aquila captas non muscas.
Vasta

(02-05-2019, 23:38 PM)Laurts Kirjutas:  Üle ei jäänud midagi?

tänud piltide eest,aga üle ei jäänud midagi,keskmine võll sees ja mutter pingal ja tiivik loperdas.lahti määrimine ja kokku tagasi sai ühe soojaga.
Vasta

sain kokkuu ja tõesti tundub,et üks seib on jalutama läinud.
Vasta

Kas on midagi viga või on normaalne nähtus? 

Külmalt käivitades on õlirõhk 2,5 ja kui on pool tundi käinud siis läheb 4 ati peale ja isegi veel 800 pöörde juures on neli.

Õlivõtja sõel puhas. Imipoolel takistusi ei ole. 

Ja kuidas mootori õlipump maha käib, kas tuleb mootori otsakaan maha võtta?

Aquila captas non muscas.
Vasta

Mis õli? Ega manomeetri toru pole miskise udupeene kõrre vastu vahetet?
Vasta

(06-05-2019, 14:01 PM)v6sa Kirjutas:  Mis õli? Ega manomeetri toru pole miskise udupeene kõrre vastu vahetet?

Õli on Kamaz. Manomeetri voolik on põksi originaal. Veel on huvitav see,et peale mõningast töötamist ca pooltel pööretel lööb õli vahule.

Aquila captas non muscas.
Vasta




Kasutaja, kes vaatavad seda teemat: 4 külali(st)ne