Teema on suletud

KÜSIMUSED, mis oma teemat ei vääri (osa 3)

(18-12-2020, 18:35 PM)hulgus Kirjutas:  
(18-12-2020, 12:00 PM)diesel Kirjutas:  ...
vähemasti mina polnud enne näinud treipingi küljes freesi ja sagedusmuunduri
koostööd.
proovisin hiljaaegu (puidu) treipingi ja sagedusmuunduri koostööd teraga, pärast drelliga, oluliselt lihtsamas vormis kui antud videos, eesmärk pea sama. Aga ei õnnestu, sageduse 10Hz juures on jõudu ka madalaima ülekandega ebapiisavalt, peab ka freesiga katsetama, nb, mitte juutuubi tarbeks.
mida madalamaks sageduse kruvite seda vähem jõudu ja 60+hz jälle peaks pisut jõudu lisama.

See on õige, alla 15 hz minna ei tasu.

Oh kui erutav võib olla üks treimisvideo Big Grin 

Kuna teema keeras end sobivas suunas, siis küsin: kas sagedusmuunduriga on mõistlikum aeglasemat mootorit üles piitsutada või kiiremal  "hapnik" kinni pigistada? (Eeldusel, et erinevate pöörlemissagedustega mootoreid saab valida.)

(19-12-2020, 21:57 PM)oltsberg Kirjutas:  Oh kui erutav võib olla üks treimisvideo Big Grin 

Kuna teema keeras end sobivas suunas, siis küsin: kas sagedusmuunduriga on mõistlikum aeglasemat mootorit üles piitsutada või kiiremal  "hapnik" kinni pigistada? (Eeldusel, et erinevate pöörlemissagedustega mootoreid saab valida.)
olles ise5+ aastat muundurit iga päev näppinud kütmisel siis mõlemit pidi saab,aga sagedust maha keerates kaotab jõus ja üles keerates tuleb juurde.kui käigukast pekkis siis sagedusmuundur päästab pisut.mul ka treipingil hetkel 4kilo asemel 2,2 kilo peal ja siiani on toiminud,tõsi 3+mm laastu lasknud pole.põhjus miks 2,2 panin on see,et seisis kodus riiulis ja investeering oli ainult rihmaseibi ja kuna võlli mõõt 28 on nii 4 kui 2,2 samad siis kaotada polnud midagi.sagedusmuundur ei taha käivitada ainult mootorit.tühjalt töötab,1 rihm peale siis ka töötab,aga alates 2 rihma teeb hirmsat häält ja viskab muunduri errorisse.

(20-12-2020, 10:21 AM)muska71 Kirjutas:  sagedusmuundur ei taha käivitada ainult mootorit.tühjalt töötab,1 rihm peale siis ka töötab,aga alates 2 rihma teeb hirmsat häält ja viskab muunduri errorisse.

Võiks proovida muunduris mootori käivitamise aja pikemaks muuta.

See, et madalamate sagedustega jõudu vähemaks jääb viitab sellele, et kasutuses on Volt/Hz režiim (vanem ja odavam sagedusmuundur). Kallimatel ja uuematel on Vektor mode kus ka madalate sageduste ja isegi seistes on mootoril jõudu (hoiab paigal).
Kui mootorit kasutada mootorile ettenähtud pöörlemiskiirusest suuremal kiirusel siis hakkab aga moment vähenema.

sagedusmuundur on lai mõiste
on lihtsamaid ja on keerulisemaid
mõnel polegi nagu midagi menüüs teisel on paks raamat parameetrite muutmiseks kaasas nagu piibel.
ehk siis tavaliselt on võimalus muuta sadu erinevaid parameetreid vastavalt mootorile ja kasutuskohale mitte ainult potekas pööretele.

Miks ei tule meilile uut parooli kui ma selle olen unustanud ja sisse ei saa?
Miks administratsiooni poole pöördumine ei anna tulemusi, lihtsam on uus kasutaja teha..... Rolleyes

mida arvavad magnetkäivitid sageduse muutumisest?küsin kuna otse mootorile käivitub,aga läbi kontaktori teeb lollusi.

(20-12-2020, 19:44 PM)muska71 Kirjutas:  mida arvavad magnetkäivitid sageduse muutumisest?küsin kuna otse mootorile käivitub,aga läbi kontaktori teeb lollusi.
uuema aja "lääne omad"  ei näita oma solvumist välja, vanemad (vene) jõhkrad magnetid aga ei taha üldse sinna midagi vahele, isegi norm 50Hz peal tärisevad ja ei toimi. Vahetult enne mootorit ühendades on ok.


(20-12-2020, 19:44 PM)muska71 Kirjutas:  mida arvavad magnetkäivitid sageduse muutumisest?küsin kuna otse mootorile käivitub,aga läbi kontaktori teeb lollusi.
 Kas kontaktori jõuklemmid on mootori ja muunduri vahel? Lahutatud olekus muundur sisuliselt ei saa aru, et tal mootor ühendatud oleks.

vene omad jah.pingil pealüliti millest keerad ja mingi magnetlüliti käivitub,siis kanglülitist mille otsas mingi reverslüliti käivitab mootori,minu mõistusele ei jõua kohale milleks niipalju magnetkäiviteid peab olema.kas on äkki olemas midagi kaasaegsemat kust 1f läheb sisse ja siis üks lüliti asend suunab ühte magnetkäivitisse voolu ja teine asend teise?hetkel käivad 3f läbi lüliti.hea meelega teeks elektri lihtsamaks.

(21-12-2020, 11:37 AM)muska71 Kirjutas:  vene omad jah.pingil pealüliti millest keerad ja mingi magnetlüliti käivitub,siis kanglülitist mille otsas mingi reverslüliti käivitab mootori,minu mõistusele ei jõua kohale milleks niipalju magnetkäiviteid peab olema.kas on äkki olemas midagi kaasaegsemat kust 1f läheb sisse ja siis üks lüliti asend suunab ühte magnetkäivitisse voolu ja teine asend teise?hetkel käivad 3f läbi lüliti.hea meelega teeks elektri lihtsamaks.
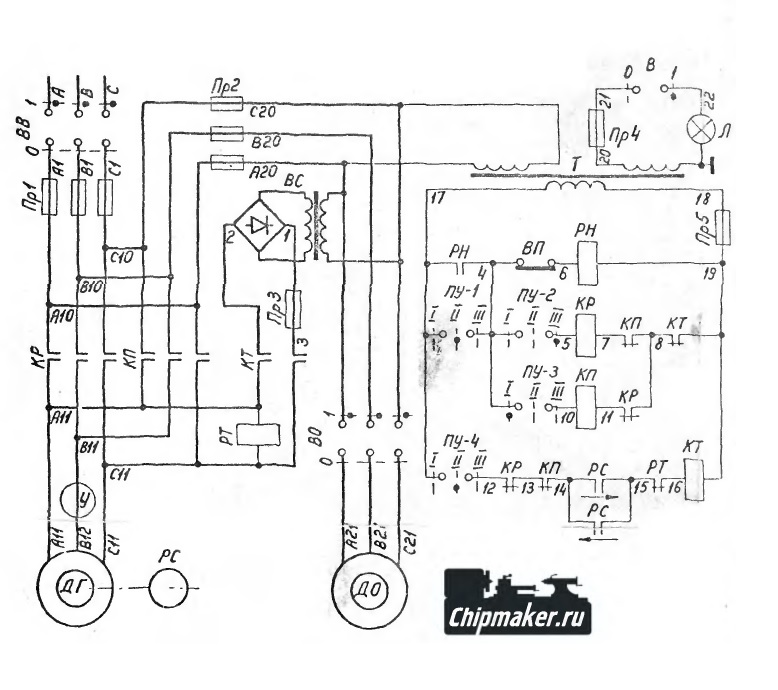
Odot, sul oli 1A616? Seal on igal kontaktoril oma ülesanne. Minu arust skeemi eriti lihtsamaks teha pole võimalik. Tuleb arvestada, et sellel pingil on elektriline spindli pidurdus. Pidurdamiseks lastakse mootori osadesse mähistesse alalisvoolu. Mul on sama pink ning olen pidanud selle el.skeem paar korda läbi mõttestama, panen pildi ning mälu järgi kontaktorite tähendused.

1A616 elskeem
   

PH - toiteahela katkesti. Kui elekter vahepeal ära läheb ja pink käib, katkeb. Kui el. tagasi tuleb, siis ka sisse lülitatud lülitiga ei lase õnnetusel juhtuda, spindel ei hakka iseendast pöörlema
KP, K(vene p) - pöörlemise lülitid. Üks ühte pidi, teine teist pidi
KT - pidurduse lüliti, mis käib läbi mootori otsas oleva relee 

Niipalju veel, et olen nende kontaktoritega küllalt palju k**pi näinud. Mingi aja peale hakkas nii tegema, et pöörad hooba, aga siis ei käivitu. Teisel korral käivitub. Neid mittekäivitumise kordi tuli järjest rohkem juurde kuni lõpuks ei läinud üldse enam käima. Ma tükk aega nuputasin, milles asi. Point selles, et toiteahela katkestaja klemmid kuluvad ära. Tõstsin neid siis ringi ja kuni järgmise korrani aitas. Lõpuks olid kõik 4 paari läbi tõstetud. Kusjuures klemmide puhastamine ei aita suuremat. Ma ei tea, miks see nii on, pole selleaja elektrimees. Suht keeruline oli asenduseks ka midagi leida, sest lülitamine käib faaside vahelt, so 380-400V. Lõpuks leidsin juhuslikult ühe sobiva Poola kontaktori. Sellega nüüd juba päris pikka aega muretu elu.

See, et mingi seadme toide käib läbi mitme lüliti/relee/kontaktori on reeglina põhjus.
Ja see põhjus on ohutustehnika.

Sagedusmuunduri ja mootori vahele käiviti..... see on täiesti mittevajalik
ja võib saada muundile fataalseks.

Matemaatika ja mehaanika, see on puhas rassism, diskrimineerimine ja valgete ülemvõim

(21-12-2020, 11:37 AM)muska71 Kirjutas:  kas on äkki olemas midagi kaasaegsemat kust 1f läheb sisse ja siis üks lüliti asend suunab ühte magnetkäivitisse voolu ja teine asend teise?
Selle jaoks on sageduamuunduril forward ja reverse sisendid, miks peale muundurit käiviti vajalik on?

(21-12-2020, 14:44 PM)Envir Kirjutas:  
(21-12-2020, 11:37 AM)muska71 Kirjutas:  vene omad jah.pingil pealüliti millest keerad ja mingi magnetlüliti käivitub,siis kanglülitist mille otsas mingi reverslüliti käivitab mootori,minu mõistusele ei jõua kohale milleks niipalju magnetkäiviteid peab olema.kas on äkki olemas midagi kaasaegsemat kust 1f läheb sisse ja siis üks lüliti asend suunab ühte magnetkäivitisse voolu ja teine asend teise?hetkel käivad 3f läbi lüliti.hea meelega teeks elektri lihtsamaks.
Odot, sul oli 1A616? Seal on igal kontaktoril oma ülesanne. Minu arust skeemi eriti lihtsamaks teha pole võimalik. Tuleb arvestada, et sellel pingil on elektriline spindli pidurdus. Pidurdamiseks lastakse mootori osadesse mähistesse alalisvoolu. Mul on sama pink ning olen pidanud selle el.skeem paar korda läbi mõttestama, panen pildi ning mälu järgi kontaktorite tähendused.

1A616 elskeem


PH - toiteahela katkesti. Kui elekter vahepeal ära läheb ja pink käib, katkeb. Kui el. tagasi tuleb, siis ka sisse lülitatud lülitiga ei lase õnnetusel juhtuda, spindel ei hakka iseendast pöörlema
KP, K(vene p) - pöörlemise lülitid. Üks ühte pidi, teine teist pidi
KT - pidurduse lüliti, mis käib läbi mootori otsas oleva relee 

Niipalju veel, et olen nende kontaktoritega küllalt palju k**pi näinud. Mingi aja peale hakkas nii tegema, et pöörad hooba, aga siis ei käivitu. Teisel korral käivitub. Neid mittekäivitumise kordi tuli järjest rohkem juurde kuni lõpuks ei läinud üldse enam käima. Ma tükk aega nuputasin, milles asi. Point selles, et toiteahela katkestaja klemmid kuluvad ära. Tõstsin neid siis ringi ja kuni järgmise korrani aitas. Lõpuks olid kõik 4 paari läbi tõstetud. Kusjuures klemmide puhastamine ei aita suuremat. Ma ei tea, miks see nii on, pole selleaja elektrimees. Suht keeruline oli asenduseks ka midagi leida, sest lülitamine käib faaside vahelt, so 380-400V. Lõpuks leidsin juhuslikult ühe sobiva Poola kontaktori. Sellega nüüd juba päris pikka aega muretu elu.
spindli pidurist kuulen esimest korda,pole silma hakanud,mootori tiivikupoolsel otsal oli küll mingi asja kinnituskoht ja nuputasin mis vigur võiks sinna kuuluda.

(21-12-2020, 15:14 PM)Mart Laanelepp Kirjutas:  
(21-12-2020, 11:37 AM)muska71 Kirjutas:  kas on äkki olemas midagi kaasaegsemat kust 1f läheb sisse ja siis üks lüliti asend suunab ühte magnetkäivitisse voolu ja teine asend teise?
Selle jaoks on sageduamuunduril forward ja reverse sisendid, miks peale muundurit käiviti vajalik on?
muundur tavaliselt pisut eemal ja sealt keerad sageduse paika ja siis hea vasaku käe alt hoovast mootor käivitada ja seisata.muundurist ebamugavam seda teha,aga kui ei saa siis ei saa.

Kas kogu masina toide käib läbi muunduri?

(21-12-2020, 18:28 PM)MeelisV Kirjutas:  Kas kogu masina toide käib läbi muunduri?
võhiklikkusest üritasin,aga ei õnnestunud ja töötab ilma muundurita.

(21-12-2020, 18:14 PM)muska71 Kirjutas:  muundur tavaliselt pisut eemal ja sealt keerad sageduse paika ja siis hea vasaku käe alt hoovast mootor käivitada ja seisata.muundurist ebamugavam seda teha,aga kui ei saa siis ei saa.
 Aga saadki mootori ühendada otse muunduri külge ja hoova lülititega juhid otse muundurist mootorit ühte- ja teistpidi ja stop. Selleks ei pea kontaktoreid kasutama. Aga mootori pidurdamiseks võib olla vajalik lisatakisti.

       

Kas sellisel trafokeevitusel ja kompressoril on mingi väärtus?
Kui, siis milline?

Mõlemad töökorras

Pildistan autosid Raplamaal - https://www.flickr.com/photos/sander_foto/
Teema on suletud




Kasutaja, kes vaatavad seda teemat: 4 külali(st)ne